- 雷達液位計料位計系列產品
- 壓力/液位/差壓/密度變送器
- 液位儀表系列
- 流量儀表系列
- 物位儀表系列
- 液位/溫度/壓力/流量-報警儀
- PLC/DCS自動化控制監控系統
- GPRS無線遠傳裝置
- 有紙/無紙記錄儀系列
- 溫度儀表系列
- 分析儀|檢測儀|校驗儀系列
全國銷售熱線:400-9280-163
電話:86 0517-86917118
傳真:86 0517-86899586
銷售經理:1560-1403-222 (丁經理)
??? ? ? ? 139-1518-1149 (袁經理)
業務QQ:2942808253 / 762657048
網址:http://www.webcube.com.cn
電話:86 0517-86917118
傳真:86 0517-86899586
銷售經理:1560-1403-222 (丁經理)
??? ? ? ? 139-1518-1149 (袁經理)
業務QQ:2942808253 / 762657048
網址:http://www.webcube.com.cn
電磁流量計的空管檢測電路是基于怎樣的原理及其產生的作用
發表時間:2019-10-04 ??點擊次數:920? 技術支持:1560-1403-222
當電磁流量計的測量管中的電極暴露在空氣中時,傳感器會產生很大的干擾信號,致使流量計檢測的數據不能真實的反映液體的流量。為此,在電磁流量計安裝、使用過程中通常要求電磁流量計的管道必須充滿被測液體。但在實際應用中,很難保證管道始終充滿液體。在分析空管干擾機理的基礎上,設計了一個檢測空管的電路,以供參考。
一、空管干擾的機理
當電磁流量計傳感器有流體流過時,傳感器中的流體、電極a、b與轉換器的輸入回路構成一個閉合回路(見圖1),其等效電路見圖2:液體等效電阻R、轉換器輸入阻抗Z1,流缽產生的感應電勢e1、e2。設B是傳感器勵磁的磁場強度,U是管道內流速分布場,則傳感器輸出的流量信號可用下式表示。

式中l是電極中的距離
空管時Re→∞,輸入回路開路。由于轉換器的輸入阻抗Zi極高,懸空的電極a、b兩端可感應出很強的干擾電壓。經分析干擾信號主要來自工頻電網(分析過程這里不作詳述)。傳感器有流體流過時,其輸出的流量信號e的ZUI大峰值只有5mV左右,經過轉換器第 一級儀表放大器后的輸出電壓u的ZUI大峰值大概為0.5V(放大100 倍)。空管時,干擾信號的峰值可高出正常峰值的幾十倍,轉換器的儀表放大器間歇產生飽和輸出(見圖3),致使流量計量無法正常運行。


二、空管干擾的檢測
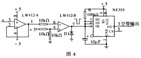
為了排除以上干擾,設計了一個檢測電路(見圖4)。整個檢測電路由跟隨器、比較器、定時器組成。跟隨器的作用是將檢測電路與儀表的其他電路隔離,防止檢測電路對信號u產生影響。比較器電路的正向輸入端接2.5V的電壓,當傳感器管路不是空管時,由于信號u,ZUI大值不超過0.5V,所以比較器的輸出始終為高電平;當傳感器管路為空管時,比較器輸出一序列的方波信號。二極管D1為方波信號的負電壓提供回路。由NE555構成的通用定時器電路的工作原理是:當輸入觸發信號電平低于電源電壓的1/3時,內部比較器開始工作,觸發電路觸發,內部的放電晶體管斷開,電容C被充電。充電電壓超過電源電壓的2/3時,內部比較器再次工作,放電晶體管把電容C中積蓄的電荷放掉,然后等待下次觸發,輸出脈沖寬度由T=1.1×C×R確定,脈沖寬度ZUI長可達數十秒。

當傳感器不是空管時,由于比較器電路始終輸出高電平,不能觸發定時器工作,定時器輸出為低電平。而傳感器為空管時,比較器的輸出脈沖不斷地觸發定時器,若T大于20ms時,定時器的輸出信號始終為高電平。因此,單片機只要通過檢測定時器的輸出信號,便可知道是否為空管。
三、結語
以上所述的電磁流量計空管檢測電路不但可以檢測空管信號,同時也可檢測其他的干擾信號,一旦單片機檢測到干擾信號后,就將此刻的流量信號濾除。實踐證明,本文介紹的檢測電路運行簡單、可靠。
上一條:一種防氣化抽真空磁翻板液位計的發明思路及具體實施方案
下一條:智能電磁流量計實現對超低速流量測量的手段與方法
- 相關文章
-
- 80G 高頻雷達物位計液位計適用于泡沫和攪拌工況的原因分析 【2025-08-06】
- 80G高頻雷達液位計防腐防爆耐高溫的功能是如何實現的? 【2025-07-23】
- 高頻雷達液位計在石油行業液位測量應用中的優勢有哪些 【2025-07-17】
- 雷達液位計測量時如何有效規避攪拌葉片和泡沫的干擾? 【2025-07-07】
- 淺析電磁流量計在供水領域的應用及如何組建運程監控系統(下) 【2017-03-21】
- 液位變送器光柱不亮 【2023-12-23】
- 什么情況下用單法蘭差壓液位變送器替代雙法蘭差壓變送器是可行的 【2018-12-25】
- 差壓變送器液位配管 【2023-12-26】
- 溫度變送器批發價格 【2024-01-03】
- 壓力液位變送器和超聲波液位計在重介密控系統液位控制中應用 【2019-07-10】








